特點:
帽型滑環完全滿足360度無限制旋轉的圖像及數據傳輸 ,工作噪音小,壽命長,小轉動力矩,運轉平滑,動態電阻變化值極低<0.01Ω 體積小,結構緊湊。
常規產品壽命300-1000萬轉,公司現已研發出特殊工藝技術,壽命可達2億轉以上(有測試報告),經眾多大公司驗證,產品運行穩定可靠。
可選項:
路數、安裝尺寸、外殼材料、防護等級、更高轉數、導線長度、端子接插件、專用導線、防鹽霧、工作溫度;
典型應用:
閉路監控云臺,舞臺燈光、機械手,醫療衛生設備,旋轉工作平臺,流水線生產,工業控制設備等。
電氣技術指標
|
參數 |
數值 |
|---|---|
|
額定電壓 |
240VDC/240VAC |
|
額定電流 |
標準每環為2A |
|
導線規格 |
AWG28 彩色鍍銀鐵氟龍絕緣 |
|
導線長度 |
250mm或根據客戶要求提供 |
|
絕緣體強度 |
500VAC@50Hz,60s |
|
絕緣電阻 |
1000MΩ/500VDC |
|
動態電阻變化值 |
<0.01Ω |
機械技術指標
|
參數 |
數值 |
|---|---|
|
工作速度 |
0~300rpm |
|
工作溫度 |
-20℃-+80℃ |
|
工作濕度 |
60%RH或更高 |
|
接觸材料 |
貴金屬 |
|
殼體材料 |
工程塑料 |


.jpg)
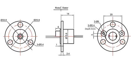
安裝說明:
■ 因我們的帽型滑環轉動扭矩很小,因此可將內圈部分導線保護好后直接用于轉動或固定
注意事項:
■ 滑環環體不得作承重用,環體導線也不得承受外部控力
■ 在滑環安裝時,務必要保護好導線,避免因導體絕緣層損壞而影響產品品質
■ 滑環系精密電氣元件,應使其在一個干燥,少塵的環境下工作。如果環境條件惡劣,應增加防護措施
電話:0571-86496782
郵件:sales@hzqs.com
地址:杭州市臨平區順風路518號全盛產業園